Blind Flange 4″ Class 900
Blind Flange 4″ Class 900 is used to seal the end of a piping system or close off a flange connection in Class 900 service. It is a solid flange without a center bore and is commonly used in industrial piping systems, maintenance isolation points, and future pipeline expansion connections where a higher pressure rating is required.
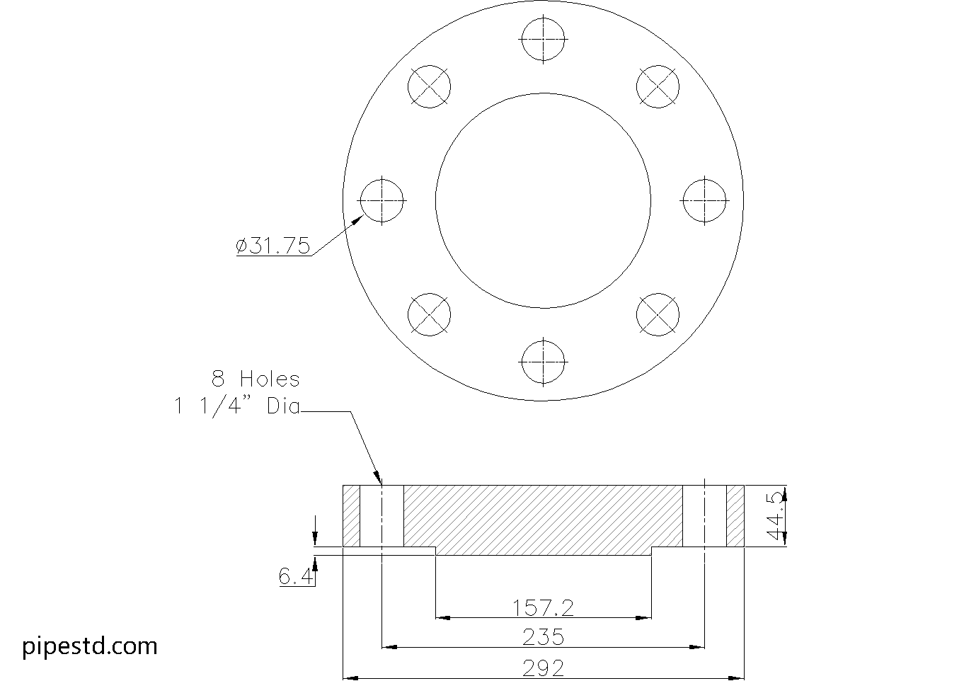
This dimension data is based on ANSI / ASME B16.5-2020.
Blind Flange 4″ Class 900 Dimensions
- Reference Standard: ANSI / ASME B16.5
- Nominal Pipe Size (NPS): 4″
- DN Size: DN100
- Flange Thickness: 44.5mm
- Weight: 24.5kg
- Stud Bolt Size: 1 1/8″ UNC (or M30) x 170 Long
- Number of Bolts: 8
- Hole Diameter: 1 1/4″ (31.75mm)
What Is a Blind Flange?
A blind flange is a blank flange used to close the end of a pipeline, vessel nozzle, or equipment connection. It provides a secure shutoff point and is often selected when future maintenance, inspection, or line extension may be required.
Common Applications
Blind Flange 4″ Class 900 is commonly used for:
- Pipe end closure
- Equipment isolation
- Valve and nozzle blanking
- Maintenance shutdown work
- Process and utility piping systems
- Higher pressure piping applications
CAD Drawing Download
This page includes the CAD drawing file for Blind Flange 4″ Class 900, which can be used for drafting, detailing, and piping layout coordination.
Available Blind Flange Class 900 Sizes
This size is part of the Blind Flange Class 900 series. Check other sizes in the same category to find matching dimension data and CAD files for your project.
Notes
Before fabrication or installation, always confirm the latest project requirements, flange material specification, gasket type, bolt length, and applicable pressure-temperature rating.
