Category: Blind Flange Class 1500
-

Blind Flange 1/2 Inch Class 1500 Dimensions, Weight and Bolt Size
-

Blind Flange 3/4 Inch Class 1500 Dimensions, Weight and Bolt Size
-

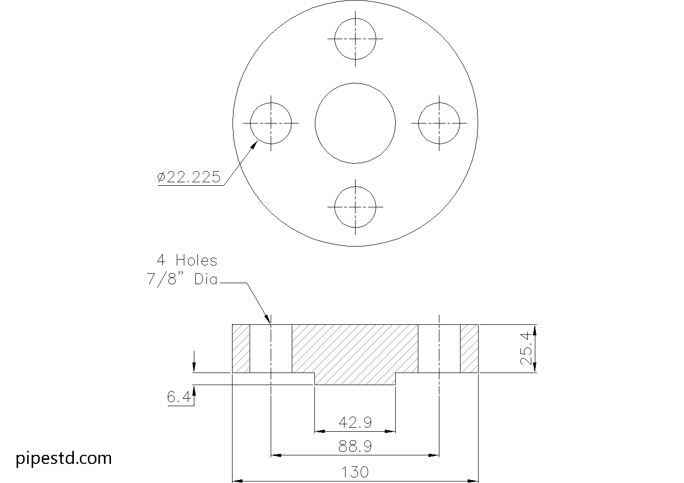
Blind Flange 1 Inch Class 1500 Dimensions, Weight and Bolt Size
-

Blind Flange 1 1/4 Inch Class 1500 Dimensions, Weight and Bolt Size
-

Blind Flange 1 1/2 Inch Class 1500 Dimensions, Weight and Bolt Size
-

Blind Flange 2 Inch Class 1500 Dimensions, Weight and Bolt Size
-

Blind Flange 2 1/2 Inch Class 1500 Dimensions, Weight and Bolt Size
-

Blind Flange 3 Inch Class 1500 Dimensions, Weight and Bolt Size
-

Blind Flange 4 Inch Class 1500 Dimensions, Weight and Bolt Size