* Technical data derived from ASME B16.11 standard for Forged Steel Fittings.
Weights are estimated for Forged Carbon Steel (ASTM A105/A105N).
Weights are estimated for Forged Carbon Steel (ASTM A105/A105N).
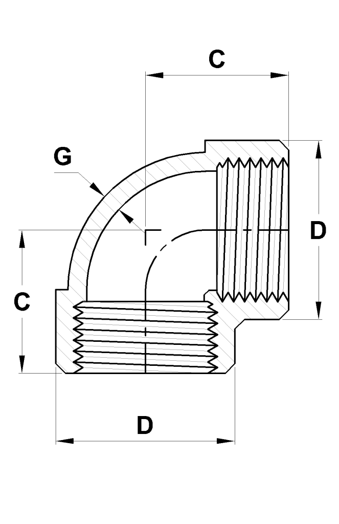
Dimension Guide

C (Center-to-End): Distance from the fitting face to the intersection of centerlines.
D (Band Diameter): Outside diameter of the threaded hub reinforcement area.
G (Min. Wall): Minimum metal thickness of the pressure-containing body.
* Note: Threaded 90° elbows are standard for high-pressure fire protection, steam, and hydraulic piping.