Weld Neck Flange 8″ Class 600
Weld Neck Flange 8″ Class 600 is widely used in piping systems that require strong, leak-resistant flange connections under high-pressure service. It features a long tapered hub that provides excellent stress distribution and is commonly applied in process piping, utility lines, refineries, power plants, and industrial systems where welding strength and reliability are essential.
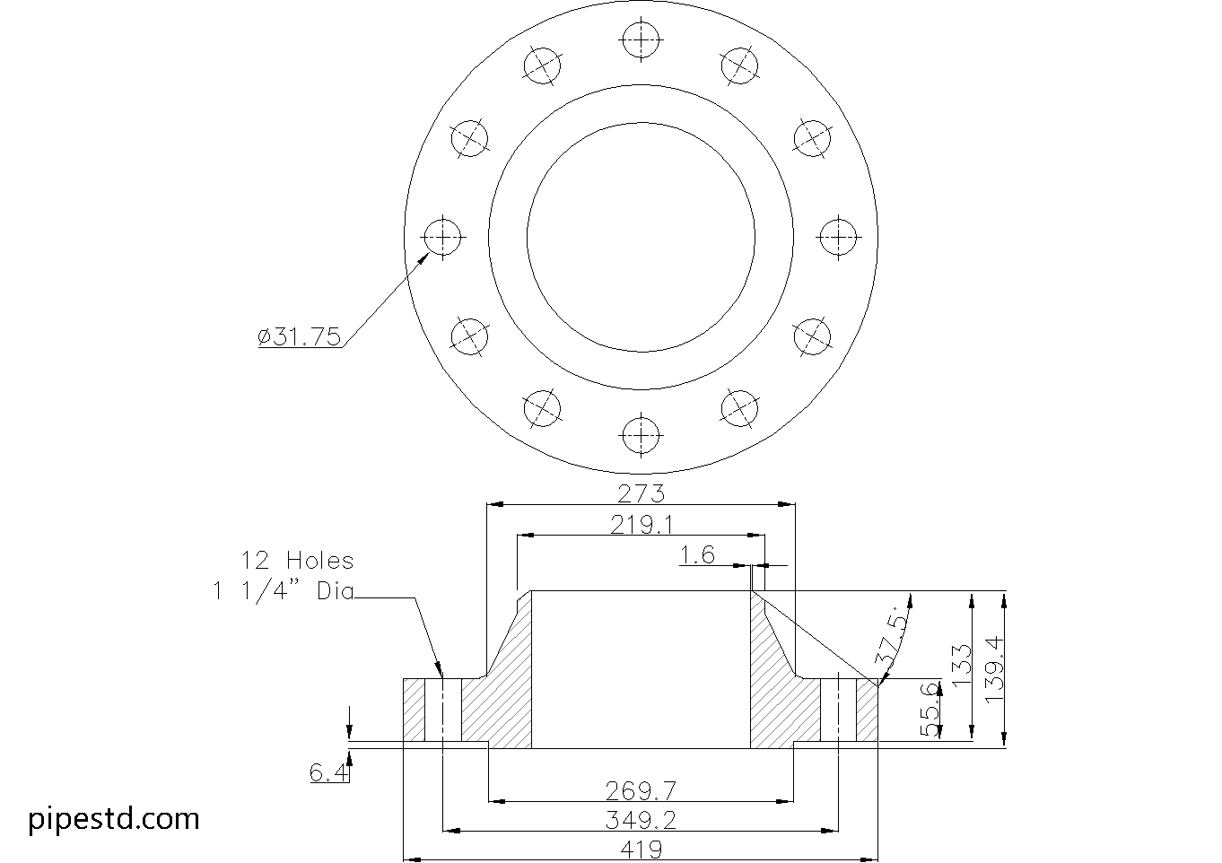
This dimension data is based on ANSI / ASME B16.5-2020.
Weld Neck Flange 8″ Class 600 Dimensions
- Reference Standard: ANSI / ASME B16.5
- Nominal Pipe Size (NPS):8″
- DN Size: DN200
- Outside Diameter:419mm
- Flange Thickness:55.6mm
- Hub Diameter:273mm
- Bore Diameter: varies depending on pipe schedule and pipe wall thickness
- Raised Face Diameter:269.7mm
- Weight: 64kg
- Number of Bolts:12
- Stud Bolt Size: 1 1/8″ UNC (or M30) x 190 Long
- Hole Diameter: 1 1/4″ (31.75mm)
What Is a Weld Neck Flange?
A weld neck flange is a type of pipe flange designed with a long tapered hub that is welded directly to the pipe. This design helps reduce stress concentration at the flange base and provides better strength under pressure, temperature fluctuation, and cyclic loading.
Common Applications
Weld Neck Flange 8″ Class 600 is commonly used for:
- Process piping systems
- Oil and gas lines
- Water and utility piping
- High-pressure service
- Pressure piping connections
- Industrial fabrication and maintenance work
CAD Drawing Download
This page includes the CAD drawing file for Weld Neck Flange 8″ Class 600, which can be used for drafting, detailing, piping layout coordination, and fabrication reference.
Available Weld Neck Flange Class 600 Sizes
This size is part of the Weld Neck Flange Class 600 series. Check other sizes in the same category to find matching dimension data and CAD files for your project.
Notes
Before fabrication or installation, always confirm the latest project requirements, flange material specification, pipe schedule, bore size, gasket type, bolt length, and applicable pressure-temperature rating.
