Category: Blind Flange Class 2500
-

Blind Flange 5 Inch Class 2500 Dimensions, Weight and Bolt Size
-

Blind Flange 6 Inch Class 2500 Dimensions, Weight and Bolt Size
-

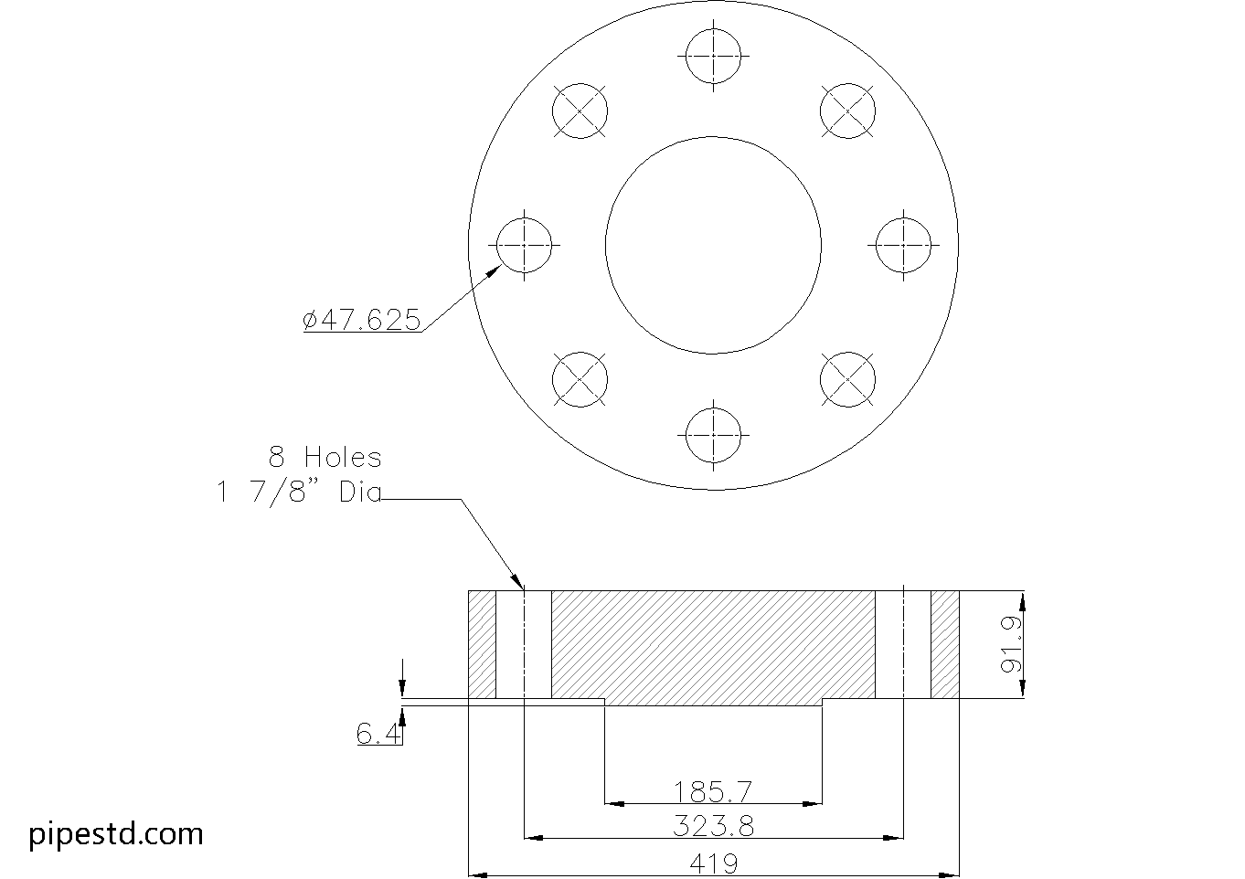
Blind Flange 8 Inch Class 2500 Dimensions, Weight and Bolt Size
-

Blind Flange 10 Inch Class 2500 Dimensions, Weight and Bolt Size
-

Blind Flange 12 Inch Class 2500 Dimensions, Weight and Bolt Size