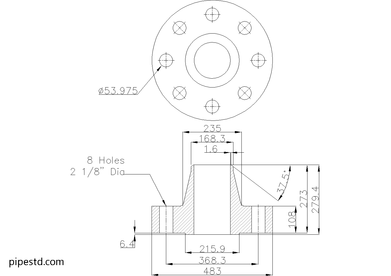
Tag: DN150 Weld Neck Flange
-

Weld Neck Flange 6 Inch Class 2500 Dimensions, Weight and Bolt Size
-

Weld Neck Flange 6 Inch Class 1500 Dimensions, Weight and Bolt Size
-

Weld Neck Flange 6 Inch Class 900 Dimensions, Weight and Bolt Size
-

Weld Neck Flange 6 Inch Class 600 Dimensions, Weight and Bolt Size
-

Weld Neck Flange 6 Inch Class 400 Dimensions, Weight and Bolt Size
-

Weld Neck Flange 6 Inch Class 300 Dimensions, Weight and Bolt Size
-

Weld Neck Flange 6 Inch Class 150 Dimensions, Weight and Bolt Size