-

Blind Flange 1 1/4 Inch Class 900 Dimensions, Weight and Bolt Size
-

Blind Flange 1 1/2 Inch Class 900 Dimensions, Weight and Bolt Size
-

Blind Flange 2 Inch Class 900 Dimensions, Weight and Bolt Size
-

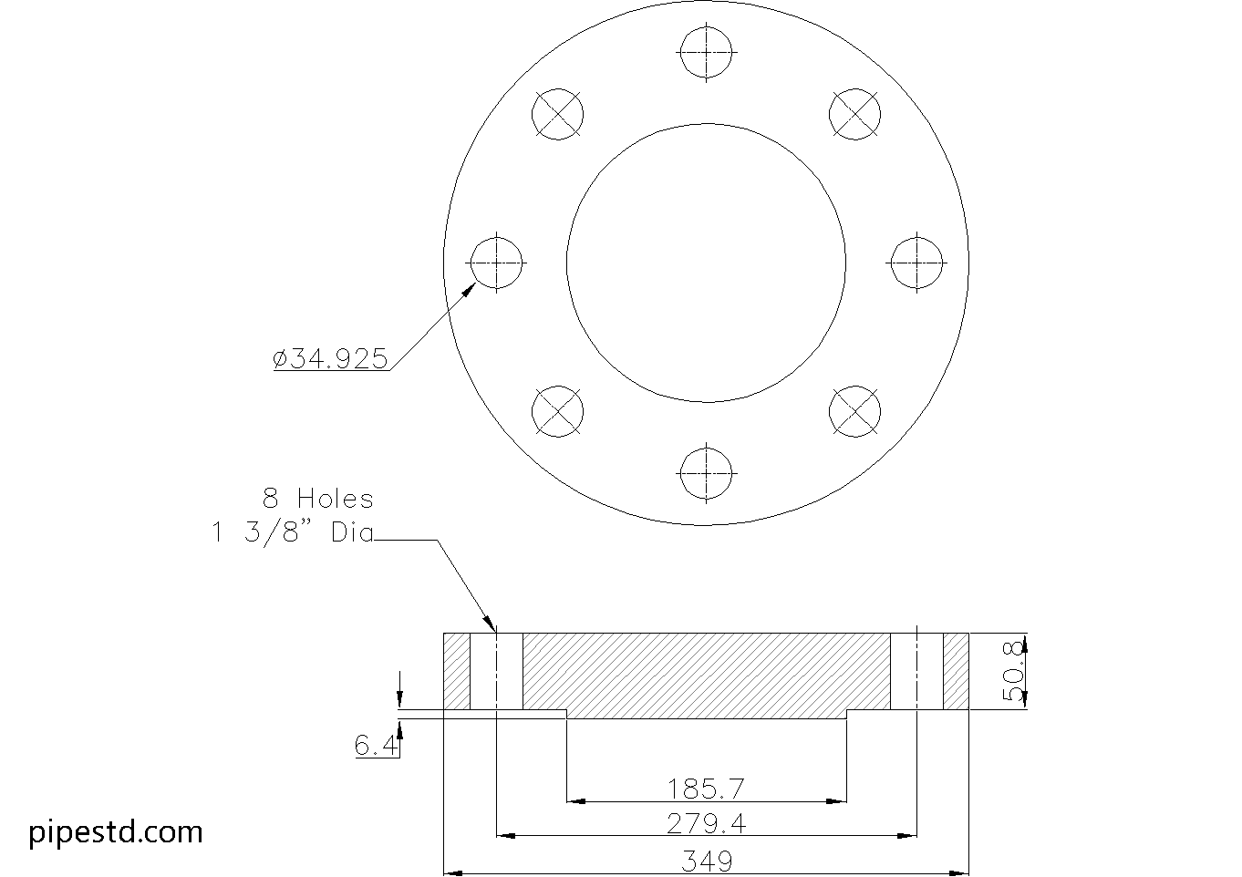
Blind Flange 2 1/2 Inch Class 900 Dimensions, Weight and Bolt Size
-

Blind Flange 3 Inch Class 900 Dimensions, Weight and Bolt Size
-

Blind Flange 4 Inch Class 900 Dimensions, Weight and Bolt Size
-

Blind Flange 5 Inch Class 900 Dimensions, Weight and Bolt Size
-

Blind Flange 6 Inch Class 900 Dimensions, Weight and Bolt Size
-

Blind Flange 8 Inch Class 900 Dimensions, Weight and Bolt Size